20-04-2026 22:00
These pale yellow, hairy ascos were growing on cul
19-04-2026 21:23
Steve ClementsBonjour, I found this anamorphic fungus on old pl
19-04-2026 20:46
Steve Clements1 mm diameter approx spherical conidiophores on pl
12-04-2026 17:56
Hardware Tony
Found on dead stems in February earlier this year
17-04-2026 19:16
Hi to everybodyI would appreciate any assistance r
14-04-2026 05:32
Ethan CrensonHi all, A few weeks back a friend pointed out som
17-04-2026 15:14
Bruno Coué
Bonjour.Récoltes du 16/04/2026, sur feuilles mort
12-04-2026 15:52
Gernot FriebesHi,I'm looking for help with this anamorph collect
14-04-2026 21:52
Gernot FriebesHi,found on dead leaves of Carex elata. Conidia: 4
16-04-2026 22:09
Buckwheat PeteHello, I'd like to ask about this older specimen:
Hymenoscyphus?
Josep Torres,
23-12-2025 08:27
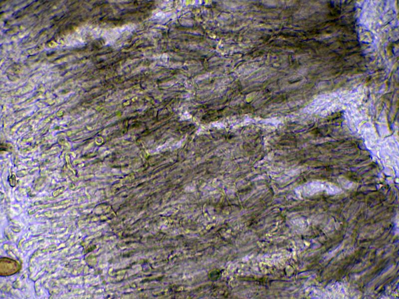
Small, yellowish ascomata, with very short and rudimentary stalks, greenish in mature specimens, sprouting from the surface of decaying leaves of Quercus rotundifolia.
Only 0.2 to 0.4 mm in diameter.
Basal hyphae elongated, arranged parallel to each other, and pigmented.
Hyphae of the excipulum globose-angularis in texture.
Octosporous asci, with an amyloid reaction in their apical apparatus, and although difficult to observe in some of these asci, I thought I saw croziers. Fusiform ascospores with pointed ends, two or three large lipid droplets and several smaller ones scattered throughout, measuring in water:
(14.3) 16 - 19.3 (22) × (2.8) 3.1 - 4.3 (4.5) µm
Q = (4.2) 4.3 - 5.5 (5.7) ; N = 40
Me = 17.8 × 3.6 µm ; Qe = 4.9
Based on these characteristics, I think it could be a species of the Hymenoscyphus/Phaeohelotium complex, but I have no other suggestion that convinces me.
Any opinions you may have would be welcome.
Thank you in advance.
Best regards.
Hans-Otto Baral,
23-12-2025 10:57
Re : Hymenoscyphus?
You don't have living paraphyses? That would be helpful. Surely no Hymenoscyphus, the apical ring is more of the Calycina type. The brown excipulum is remarkable. There are no hairs?
Josep Torres,
23-12-2025 14:22
Re : Hymenoscyphus?
Thanks, Zotto.
I couldn't observe any structures in the prepared samples that could correspond to hairs. The closest thing were the terminal hyphae visible above the image of the excipulum, which might correspond to marginal hyphae. There were no live paraphyses either. The apothecia were past their prime, and there were only asci and a collapse of spores. Since I have quite a bit of material from this sample, if we can't reach any conclusions, I'll send it for sequencing in my next shipment, which would be next year.
Best regards.
I couldn't observe any structures in the prepared samples that could correspond to hairs. The closest thing were the terminal hyphae visible above the image of the excipulum, which might correspond to marginal hyphae. There were no live paraphyses either. The apothecia were past their prime, and there were only asci and a collapse of spores. Since I have quite a bit of material from this sample, if we can't reach any conclusions, I'll send it for sequencing in my next shipment, which would be next year.
Best regards.
Hans-Otto Baral,
23-12-2025 14:57
Re : Hymenoscyphus?
That would be interesting to obtain DNA. It looks a bit like a Hyphodiscus. But such big spores are unknown there.
Josep Torres,
07-03-2026 22:46
Re : Hymenoscyphus?
Hi Zotto.
The sequence came back slightly noisy and didn't clarify much, but the ITS gene sequencing points with a 97.66% match to Calycellina sp., or at most Pezicula.
Best regards.
The sequence came back slightly noisy and didn't clarify much, but the ITS gene sequencing points with a 97.66% match to Calycellina sp., or at most Pezicula.
Best regards.
Hans-Otto Baral,
08-03-2026 08:34
Re : Hymenoscyphus?
Could you please send me the sequence and especially the chromatogram (ab1), then I will try my alignments wit partly unpublished sequences.
Josep Torres,
08-03-2026 14:35
Re : Hymenoscyphus?
Hi Zotto.
They're already in your email.
Best regards. Josep
They're already in your email.
Best regards. Josep
Hans-Otto Baral,
08-03-2026 21:29
Re : Hymenoscyphus?
Thanks, yes, the sequence is noisy, but only at a few positions. The result is clear: It must be a Pezizellaceae. Pezicula is a misID.
I tested ITS and S1506 intron separately:
ITS: 98.5% "Pezicula sp." UDB04294927, 98% Mollisina sp. UDB04221998, 97.8% UDB04222001, many Mollisina sp. 97.4% UDB, 96% Scleropezicula alnicola,
Intron: 91% Helotiales sp. LC064903, 86% Calycellina fagina, 81% Nagrajchalara
I think I see marginal hairs with short somewhat hooked whip. I am also sure there have been VBs inside the hair cells. So Mollisina or especially Calycellina are good options.











